
中低压MOS管 30G04 PDFN5X6-8L N+PMOS管 国产替代场效应管
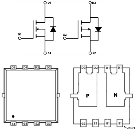
中低压MOS管 30G04的引脚图:

中低压MOS管 30G04的参数特点:
1、N-CH:
VDS=40V
ID=38A
RDS(ON)<10mΩ@VGS=10V
2、P-CH:
VDS=-40V
ID=-35A
RDS(ON)<18mΩ@VGS=-10V
中低压MOS管 30G04的极限值:
(如无特殊说明,TC=25℃)
| 符号 | 参数 | 数值 | 单位 | |
| N-CH | P-CH | |||
| VDS | 漏极-源极电压 | 40 | -40 | V |
| VGS | 栅极-源极电压 | ±20 | ±20 | |
| ID | 漏极电流-连续 (TC=25℃) | 38 | -35 | A |
| 漏极电流-连续 (TC=100℃) | 31 | -29 | ||
| IDM | 漏极电流-脉冲 | 144 | -129 | |
| EAS | 单脉冲雪崩能量 | 128 | 185 | mJ |
| IAS | 单脉冲雪崩电流 | 16 | -18 | A |
| PD | 总耗散功率 (TC=25℃) | 48 | 51.3 | W |
| RθJA | 结到环境的热阻 | 25 | 25 | ℃/W |
| RθJC | 结到管壳的热阻 | 2.3 | 2.3 | |
| TSTG | 存储温度 | -55~150 | -55~150 | ℃ |
| TJ | 工作结温 | -55~150 | -55~150 | |