降压IC LC51C 精简型 DC-DC 降压电路
一、降压IC LC51C的概述:
LC51C 是精简型 DC-DC 减压变换器集成电路,内含温度补偿的参考电压源(1.25V)、比较器、能有效限制电流及控制工作周期的振荡器、驱动器及大电流输出开关管等,外配少量元件,就能组成 DC-DC 降压电路。与 34063 产品比较,可达到使用最少的外接元件构成开关式降压变换器,广泛适用于汽车充电器、直流降压变换器等产品。
二、降压IC LC51C的关键排列图:

三、降压IC LC51C的特点:
工作电压范围宽:3~40V
输出电流限制功能和输出电流保护功能
静态电流小
输出最大电流可达1.2A
工作频率可达120KHz
输出电压范围:5.1V±2.5%
封装形式:Qipai8,SOP8,ESOP8,DIP8
四、降压IC LC51C的内部结构图:

五、降压IC LC51C的极限值:
| 参数 | 符号 | 数值 | 单位 |
| 电源电压 | VCC | 40 | V |
| 输出开关管集电极电压 | VC(switch) | 40 | V |
| 输出开关管发射极电压(VPINI=40V) | VE(switch) | 40 | V |
| 输出开关管集电极与发射极间的电压 | VCE(switch) | 40 | V |
| 输出开关管电流 | ISW | 1.5 | A |
| 功耗 | PD | 1.25 | W |
| 工作环境温度 | TA | 0~+70 | ℃ |
| 贮存温度 | Tstg | -65~+150 | ℃ |
六、降压IC LC51C的电特性:
| 参数名称 | 最小值 | 典型值 | 最大值 | 单位 |
| 电源电压 VCC | 3 | 12 | 40 | V |
| 电源电流 ICC | 5 | 8 | mA | |
| 线性调整 | 20 | mV | ||
| 负载调整 | 100 | mV | ||
| 输出纹波 | 100 | mVp-p | ||
短路电流 Vin=25V,RL=0.1Ω | 0.6 | A | ||
短路电流 Vin=12V,RL=0.1Ω | 1.2 | A | ||
| 频率 | 80 | 100 | 120 | KHz |
| 效率 | 80 | % | ||
| 直流放大倍数 hfe | 50 | 120 | ||
| 集电极漏电流 IC | 0.01 | 100 | μA |
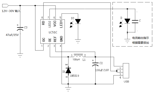
七、降压IC LC51C的应用电路图:

八、降压IC LC51C的封装外形尺寸:

声明:本网站原创内容,如需转载,请注明出处;本网站转载的内容(文章、图片、视频)等资料版权归原网站所有。如我们采用了您不宜公开的文章或图片,未能及时和您确认,避免给双方造成不必要的经济损失,请电邮联系我们,以便迅速采取适当处理措施;邮箱:limeijun@yushin88.com